SSUCFL 201-8 Chumaceira de apoio em aço inoxidável
Rolamento de esferas Inser: UC UK SA SB
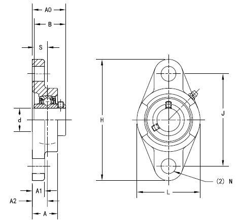
Caixa de rolamentos: ferro fundido;
Tipo: UCF UCP UCFL UCT UCFC UCHA UCPA UCPH UCFS UCFB UCFW
Vantagens:
Auto-alinhamento e fácil montagem: Compensa o desalinhamento de montagem entre o veio e a carcaça. Fácil de instalar e de manter.
Pré-lubrificado e selado: normalmente vem pré-lubrificado e selado, adequado para ambientes agressivos.
Ampla aplicação: Design compacto, normalmente utilizado em eixos de transmissão, máquinas agrícolas e sistemas de transporte.
Caixa de rolamento vertical (P), caixa de rolamento vertical estreita (PA), caixa de rolamento vertical de centro alto (PH), caixa de rolamento quadrada (F), caixa de rolamento quadrada com ressalto (FS), caixa de rolamento redonda com ressalto (FC), caixa de rolamento romboidal (FL), caixa de rolamento anular (C), caixa de rolamento deslizante (T), caixa de rolamento de suspensão (HA), caixa de rolamento romboidal ajustável (FA), caixa de rolamento de suspensão (FB); as caixas de rolamentos estampadas normalmente combinadas incluem a caixa estampada redonda (PF), a caixa estampada romboidal (PFL), a caixa estampada triangular (PFT) e a caixa estampada vertical (PP).
SSUCFL 201-8 Chumaceira de apoio em aço inoxidável
d |
12,7 mm |
Diâmetro do furo |
H |
113 mm |
Comprimento total |
B |
31mm |
Largura do anel interior |
eu |
60mm |
Altura total |
≈m |
0,47 kg |
Peso |

